20 November, 2012

Amali 3



Prosedur memasang semula Brek Ceper (Disc Brake)


Langkah pasang disk brek
a)             Pemasangan semula disc hendaklah mengikut reverse order semasa membuka

          Semasa pemasangan hendaklah diambil perhatian keatas keselamatan perkakas dan diri

Amali 2


Prosedur Memeriksa Brek Ceper (Disc Brake)

Langkah periksa disk brek
a)             Periksa samada permukaan disk calar, karat atau bengkok
b)             Ukur ketebalan disc dengan menggunakan micrometer. Ambil 3-4 kali bacaan ditempat yang berbeza pada disk. Tukar disk jika salah satu bacaannya kurang dari limit.
         Limit: 11.4 mm


c)            Ukur disk runout dengan menggunakan dial gauge. Jika bacaan melebihi limit, tukar disk baru. Tidak sesuai untuk dipotng (resurface).
         Limit: 0.15mm


Amali 1



Antara peralatan-peralatan yang digunakan semasa melakukan kerja-kerja sistem brek ialah
1. Jek hidrulik
2. Sangga Keselamatan
3. Set spanar
4. Set soket
5. Penukul Besi
6. Sepana T
7. Minyak gris


Prosedur Mengeluarkan Brek Ceper (Disc Brake)
Langkah persediaan
a)      Letak kenderaan ditempat yang rata
b)      Tarik hand brek
c)       Longgarkan nat roda (4 biji)
d)      Letakkn penahan roda (bungkah roda) disalah satu bahagian depan roda
e)      Jek kenderaan perlahan-lahan
f)       Letakkan safety stand ditempat yang betul
g)      Keluarkan roda dari kenderaan dan letakkanya dibawah kenderaan
Buka disk brek
a)      Tanggalkan slide pin dan tolak body calliper keatas



b)      Gantung brek calliper dengan tali supaya flexible hose tidak dalam keadaan bergantung


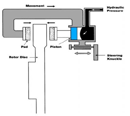
Brek Piring (Disk Brake)





Pengenalan
Biasanya digunakan ke atas roda hadapan pada kebanyakan kereta dan ke empat-empat roda bagi sesetengah kereta. Satu disk dipasang ke hab roda dan berputar sekali dengan tayar dan roda. Apabila pemandu mengenakan brek, tekanan hidraul daripada silinder induk digunakan untuk menolak lapik geseran ( pad ) melawan gerakan rotor kemudian memberhentikannya.



Komponen Utama Brek
Komponen utama dalam pembentukan system brake itu mestilah mempunyai Brek Caliper , Master Silinder, Brek Disk atau Rotor, sistem piping atau hose dan juga pedal. 



Lokasi 
Brek disk kebanyakkannya digunakan pada roda hadapan dan ada juga digunakan pada keempat-empat roda.


Cara berfungsi
Apabila pedal ditekan Master Pump menghasilkan tekanan minyak ke Kaliper. Minyak menekan piston di Kaliper dan terus menekan Pad Brek. Pad Brek yang ditekan mengapit Disk sebagai Brek. Apabila Pedal dilepaskan tekanan pada Piston hilang dan Rubber Seal menarik balik Piston ke belakang sedikit di bantu oleh cetrifugal force dan merenggangkan sedikit dari permukaan Disk.


Jenis-jenis
Terdapat 2 jenis brek disk iaitu:





1. Angkup tetap (fix calliper)
Angkup tetap biasanya terdiri daripada 2 atau 4 piston yang dipasang secara bertentangan antara satu sama lain. Apabila pedal brek ditekan piston yang dipasang bertentangan tersebut akan menolak pad supaya mengepit disk.











2. Angkup apungan (floating Caliper)
Angkup apungan pula biasanya mempunyai satu piston sahaja. Saiz pistonnya agak besar jika dibandingkan dengan piston angkup tetap. Apabila pedal ditekan piston akan menolak pad ke disk. Ini akan menyebabkan angkup mengelansar pada arah berlawanan dengan piston. Pergerakan angkup akan menyebabkan pad yang sebelah lagi turut sama bergesel dengan disk. Brek jenis ini biasanya mempunyai larasan automatik. Piston akan sentiasa berubah kedudukan bergantung kepada kehausan pad . Sesendal (seal) akan dipasang di dalam silinder supaya dapat mewujudkan kelegaan larian antara pad dan disk.




Pad brek
pad brek digunakan bagi mencengkam disk semasa kenderaan bergerak. pad brek biasanya diperbuat daripada campuran asbestos, logam lembut dan damar.






Kebaikan dan keburukan

Kebaikan
  1. Tiada peralasan perlu dibuat keatas pemasanagan brek disk
  2. Masalah ‘brake fade’ dapat dikurangkan
  3. Senang untuk membuat pemeriksaan
  4. Habuk dan cecair dapat dicegah masuk ke dalam Selinder oleh Rubber Seal.
  5. Senang disejukkan oleh udara.
  6. Air mudah diputar keluar
  7. Tiada pelarasan


Keburukan
  1. Berkehendakan tekanan yang tinggi jika system servo unit rosak
  2. Pad mudah haus kerana berlaku sedikit geseran semasa tidak bekerja
  3. Harga mahal





Pengenalan Sistem Brek





Sistem brek berfungsi untuk memperlahankan kenderaan, memberhentikan kenderaan dan juga mengawal kenderaan. Kenderaan moden sekarang menggunakan 2 sistem brek iaitu, sistem brek gelendong dan sistem brek piring.



Selinder Induk disambungkan ke pedal brek yang diinjak oleh pemandu bagi memaksa bendalir dikenakan tekanan ke tiap-tiap pepasangan brek roda. Disini daya hidraul digunakan untuk memaksa pad dalam pepasangan brek piring menentang pusingan rotor atau menolak keluar kekasut brek menentang pusingan gelendong brek. Sistem brek letak/brek tangan kereta biasanya menggunakan kaedah mekanikal dan dipasang pada roda belakang. Ia biasanya digunakan untuk mengunci roda kenderaan (parking) atau membrek dalam kecemasan. Satu penggalak kuasa (servo) digunakan keatas selinder induk untuk menambah kuasa ketika membrek.



Sistem brek adalah penting bagi sesebuah kenderaaan dan hendaklah sentiasa berfungsi dengan baik.

Sistem Brek Yang baik:
a) Boleh memberhentikan kenderaan dengan cepat apabila dikehendaki
b) Berada dalam keadaan baik dan dalam kawalan pemandu pada setiap masa
c) Tidak boleh kehilangan kuasa brek
d) Tidak berkehendakan larasan yang kerap
e) Sesuai untuk segala kelajuan, berat dan suhu

Komponen Sistem Brek
1) Disk Brek/ Drum Brek
2) Pelapik Brek (break Pad)
3) Saluran Minyak
4) Vakum pam
5) Tabung minyak enjin
6) Pedal brek (tempat meletakkan kaki untuk brek)



12 November, 2012

Pendahuluan

Objektif Pembelajaran

1. Mengenalpasti lokasi brek ceper (disk)
2. Mengeluarkan brek ceper
3. Memeriksa keadaan brek ceper
4. Memasang pad brek kenderaan